存储系统
计算机的主存储器不能同时满足存取速度快、存储容量大和成本低的要求,在计算机中必须有速度由慢到快、容量由大到小的多级层次存储器,以最优的控制调度算法和合理的成本,构成具有性能可接受的存储系统。
层次结构
为什么要进行层次划分?
采用层次结构,形成存储体系,以满足用户高速度、大容量、低价位的需求。
存储器分层:即不同容量、成本、功耗和速度的多种存储器构成有机结合的多级存储系统。构成多级存储系统的依据就是程序的局部性原理。
程序的局部性原理
在某一段时间内频繁访问某一局部的存储器地址空间,而对此范围以外的地址空间则很少访问的现象称为程序的局部性原理
- 时间局部性:最近被访问的信息很可能还要被访问
- 空间局部性:最近被访问的信息邻近地址的信息也可能被访问
多级存储系统的组成
正在执行的程序的指令和数据存储在CPU能直接访问的存储器中,这种侠义的存储器就是内存储器。内存储器速度高、容量小、价格高。由半导体器件构成。
为了扩大存储容量,在内存储器之外增加容量更大但访问速度稍慢的外存储器或者称为辅助存储器。相对而言,外存储器速度的容量大、价格便宜,可以由磁盘、存储器、光盘等非半导体器件或者固态半导体存储器构成。
CPU不能直接访问外存储器,外存储器的信息必须调入内存储器后才能由CPU处理。内存储器和外存储器构成了两级存储系统。
cache:常规内存储器与CPU之间增加了速度更高但容量更小的半导体高速缓冲存储器,用于存放常规内存中正在使用的一些信息块的副本。
常规的内存被称为主存。这样,内存储器就分为cache和主存两部分,由此构成了三级存储系统。
对性能要求更高的系统还可以将cache分成一级cache和二级cache甚至多级cache。在由cache、主存、磁盘和磁带构成的多级存储体系中,存储容量、存储密度逐级提升,访问速度和价格逐级降低,构成金字塔式的存储结构。
| 寄存器 cache | CPU内 |
|---|---|
| cache 主存储器 | 主板内 |
| 磁盘 光盘 | 主板外 |
| 磁带 | 离线 |
分类
构成存储器的存储介质主要采用半导体和磁性材料。一个双稳态半导体电路或一个CMOS晶体管或磁性材料的存储元,均可以存储一位二进制代码。这个二进制代码位式存储器中最小的存储单元,称为存储位元。由若干个存储位元组成一个存储单元,然后再由多存储单元组成一个存储器。
分类根据存储材料和性能以及使用方法不同。
存储介质
主要构成内存
半导体存储器:通过高电平、低电平存储1、0。TTL(晶体管晶体管逻辑),集成度低、功耗高,速度快;MOS(金属氧化物半导体),集成度高,功耗低,速度快,计算机中的内存材质主要为MOS型。
主要构成外存
磁介质存储器:磁表面存储器,如磁盘、磁带,表面涂有磁层,利用磁化方向不同来存储0、1,要有磁头和磁载体;磁芯存储器(core memory),曾经作为计算机的内存被使用
光介质存储器:如光盘,利用激光、磁光材料完成。
电子介质存储器:体积小、可靠性高。
存取方式
随机存取存储器:任何存储单元的内容都能被随机存取,且存取时间和存储单元的物理位置无关。
顺序存取存储器:只能按某种顺序来存取,存取时间和存取单元的物理位置有关。
磁盘存储器则是办顺序(直接)存取存储器,沿磁道方向顺序存取,垂直半径方向随机存取。
CPU能否直接访问(与CPU的耦合度)
内存储器:也称为主存储器,简称内存或主存;内存可以直接被 CPU 访问,访问速度快,但是成本较高,能存储的信息量较少,因此内存一般用来存储计算机正在访问的程序或数据。
外存储器:也称为辅助存储器,简称外存或辅存;外存不能直接被CPU 访问,必须通过内存“中转”,访问速度慢,但是成本较低,能存储的信息量大可以脱机保存,因此外存一般用来存储暂时不访问的程序或数据。
读写方式
只读存储器(ORM):工作过程中只能读出而不能写入
随机存取存储器(RAM):工作过程中既能读出又能写出的半导体存储器
信息易失性
永久性存储器:指系统停电后存储器中的信息不丢失,例如外存储器和 ROM
非永久性存储器:指系统停电后所存储的信息会丢失的存储器,例如 RAM存储器
性能指标
主存储器的主要性能指标:容量和速度
- 存储容量:存储容量是指一个存储器中可存储的信息比特数。
- 存取时间:又称为存储器访问时间,是从存储器接收到读/写命令开始到信息被读出或者写入完成所需要的时间,取决于存储机制的物理特性和寻址部件的结构。
- 存取周期(存储周期):是再存储器连续读写过程中一次完整的存取操作所需要的时间,即CPU连续两次访问存储器的最小间隔时间。通常,存储周期略大于存取时间。
- 存储器带宽(数据传送速率,频率):单位时间里存储器所存取的信息量,通常以位/秒或字节/秒作为度量单位。
主存储系统
主存储器系统由半导体只读存储器ROM和半导体随机读写存储器RAM构成。
ROM
半导体只读存储器ROM(Read Only Memory)是指在一般情况下只能读出、不能写入的存储器,一般用来存放需要长期保存、不允许破坏的信息,例如操作系统的核心程序、计算机的基本输入输出系统等。根据制造工艺不同,只读存储器可以分为ROM、 PROM、 EPROM和E2PROM等 。
掩模式只读存储器
掩模式只读存储器(ROM)由工厂生产时一次性写入信息,不允许使用者做任何修改。这种只读存储器结构简单,可靠性高,价格便宜,但是灵活性差,不允许使用者做任何修改。
可编程只读存储器
可编程只读存储器(PROM,Programmable ROM)是允许用户一次性写入的只读存储器。优点是用户可以根据需要进行一次性写入,扩大了芯片的应用范围,但是一经写入就再不允许做任何修改。
可擦除可编程只读存储器
可擦除可编程只读存储器(EPROM,Erasible PROM)是可以用紫外线擦除、允许用户多次写入信息的只读存储器。EPROM在使用时,需要从电路板上拔下,在专用紫外线擦除器中擦除,因此,操作起来比较麻烦。一块芯片经过多次拔插之后,可能会是外部管脚损坏。另外,EPROM被擦除后可写的次数也是有限的,一块芯片往往使用时间也不太长。
EPROM 芯片常用浮栅型MOS 管作存储单元,新出厂的EPROM 每位均为“1”状态,对EPROM 的编程是用电信号控制将有关位由原来的“1”改写为“0”的过程。
对EPROM 的擦除则是用紫外光照射,即用高能光子将浮栅上的电子驱逐出去,使其返回基体,相应位由原来的“0” 变为“1”的过程。
由于紫外光通过 EPROM 芯片的石英窗口对整 个芯片的所有单元都发生作用,所以,一次擦除便使整个芯片恢复为全“1”状态,部分擦除是不行的。
电可擦可编程只读存储器
电可擦可编程只读存储器(E2PROM,Electrically EPROM)是一种不用从电路板上拔下,而是直接再线直接用电信号进行擦除的EPROM芯片,加长了芯片的使用寿命。对其进行的编程也是在线的写操作,其他性能与EPROM类似。
闪速存储器
闪速存储器(Flash Memory)是一种新型的半导体存储器。闪速存储器具有非易失性,在断电时它也能保留存储内容,这使它优于需要持续供电来存储信息的易失性存储器,如静态和动态 RAM ;
闪速存储器具有电擦除性,可实现大规模电擦除。闪速存储器的擦除功能可迅速地清除整个器件中的所有内容,这一点优于传统的可修改字串的 E2PROM 。
闪速存储器的单元结构和它具有的 EPROM 基本特征使它的制造特别经济,能够实现较低成本,在密度增加时保持可测性,并具有可靠性,这几方面综合起来的优势是目前其他半导体存储器技术所无法比拟的。
闪速存储器是一种低成本、高可靠性的读写非易失性存储器。从功能上讲由于其随机存取的特点,闪速存储器也可看作是一种非易失的ROM,因此它为能够用于程序代码和数据存储的理想媒介。
RAM
半导体随机读写存储器也称为半导体随机访问存储器,这是一种非永久性存储器,常用来作为计算机系统的主存储器。
半导体随机读写存储器又分为静态随机读写存储器和动态随机读写存储器。
静态随机读写存储器(SRAM)
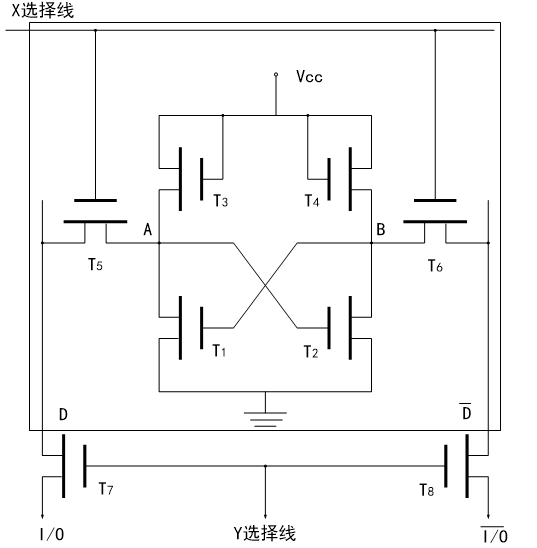
六管静态存储元
6 个 MOS 管 T 1 ~T 6 构成一个存储元,能存储一位二进制信息。
T1、T2 管构成存储一位二进制信息的双稳态触发器;
T3、T4 管是负载管,用来给T1、T2 管提供负载电流;
T5、T6 、T7、T8是门控管,其中T5、T6 作为行开关, T7、T8 作为共用的列开关
如何进行读写操作?
X 选择线用来选择整个一行的存储元,Y 选择线通过公用的T7、T8 管选择整个一列的存储元。只有位于一条X 选择线和一条Y 选择线交叉点上的存储元被选中,才可以对它进行读/写操作。
如何保存0、1?
假定T1 管截止,T2 管导通,表示该存储元存储的是信息“1”;反之,如果T1 管导通,T2 管截止,表示该存储元存储的是信息“0”。
动态随机读写存储器(DRAM)
四管动态存储元
四管的动态存储电路是将六管静态存储元电路中的负载管T3、T4 去掉而成的。
写操作:当T5、T6 截止时,靠T1、T2 管栅极电容的存储作用,在一定时间内可保留所写入的信息。
读操作:T5、T6 管导通时,存储的信息通过A、B 端向位线输出。
刷新操作:由于存储的信息电荷终究是有泄漏的,为防止存储的信息电荷泄漏而丢失信息,由外界按一定规律不断给栅极进行充电,补足栅极的信息电荷。
单管动态存储元
单管动态存储元电路由一个管子T1 和一个电容C 构成。T1为字选控制管。
写入操作:字选择线为“1”使T1 管导通,要写“1”,在位线(数据线)上加高电位,经T1管对C充电;写“0”则在数据线上加低电位,使C上无电荷。
读出操作:字选择线为“1”使T1 管导通,存储在电容C 上的电荷,通过T1 输出到位线数据线上,通过读出放大器形成读“1”信号。反之,若原存“0”,则无泄放电流。因为读出时C电荷泄放,电位下降,所以是破坏性读出,在读出后应有重写操作刷新操作
| 名称 | 优点 | 缺点 |
|---|---|---|
| 四管存储元电路 | 外围电路比较简单,刷新时不需要另加外部逻辑 | 管子多,占用的芯片面积大 |
| 单管存储元电路 | 原件数量少,集成度高 | 需要有高鉴别能力的读出放大器配合工作,外围电路比较复杂 |
动态RAM与静态RAM比较
| DRAM | SRAM | |
|---|---|---|
| 存储原理 | 电容 | 触发器 |
| 集成度 | 高 | 低 |
| 芯片引脚 | 少 | 大 |
| 功耗 | 小 | 大 |
| 价格 | 低 | 高 |
| 速度 | 慢 | 快 |
| 刷新 | 有 | 无 |
辅助存储系统
计算机的主存储系统的存储容量是有限的,而且要扩充时成本较高,同时多数存储在主存储器中的内容都是暂时存储的,如果需要长期、大量的存储数据,可以使用辅助存储器进行存储。辅助存储器也称为“外存”,是和“内存”对应的存储设备,常用的辅助存储器采用磁存储技术、光存储技术和电子存储技术等。目前在个人计算机占主流地位的存储设备是磁介质设备。
磁介质存储器
磁介质存储器是利用电磁转换进行存储的,常见的磁介质存储器有软磁盘、硬磁盘、磁带等。
特点:存储容量大,位成本低,信息保存时间长,读出时不需要再生。
磁盘存储器
特点:可随机存取,访问速度快。
磁带存储器
特点:只能顺序存取,访问速度慢,主要用于脱机存储。
光介质存储器
特点:记录密度大,存储容量大,没有磨损,可长期保存信息,误码率低。
只读型(CD-ROM)光盘:形变型记录方式
追记型(CD-R)光盘:形变型记录方式
可改写型光盘:磁光型、相变型记录方式
电子介质存储器
特点:体积小、可靠性高、非易失性存储器。
USB闪存盘
以闪存芯片为存储介质
无需驱动器
由USB端口、主控芯片、FLASH闪存、PCB底板和外壳构成。
